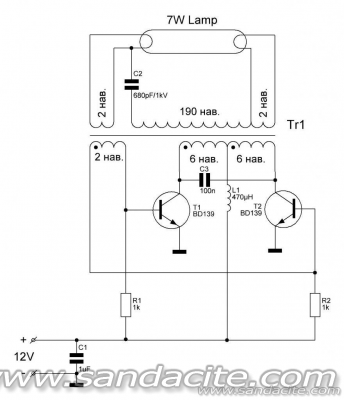
Темата за луминесцентната лампа на 12 волта ускори създаването на инвертора който така или иначе бях замислил, в следващите няколко мнения ще публикувам подробно описание, схема и резултати от тестването на създадения от мен резонансен ZVS Royer осцилатор. Схемата по която съм изпълнил инвертора е следната:

На нея са нанесени намотъчните данни за трансформатора. Магнитопровода се състои от два ферита е Е25 от Комет:
http://store.comet.bg/Catalogue/Product/25662/#e30%3DМакарата също е от Комет:
http://store.comet.bg/Catalogue/Product/29158/Използваната макара е двусекционна. Първичната намотка, както и намотките за обратна връзка и отопление на катодите са изработени от лакиран бобинажен проводник с диаметър 0.6мм, такъв имах, има прозорец и за по-дебел проводник, така че е препоръчително да се навива с по-дебел за по-висока ефективност. Двете първични са навити бифилярно. Върху тях слой изолация от хартиено тиксо, и е навита намотката за обратна връзка състояща се от две навивки. Всичко това е в първата секция на макарата. Във втората секция е навита вторичната намотка. Тя е с проводник с диаметър 0.2мм, на всеки 60 навивки (около два слоя) се слага слой изолация от хартиено тиксо. Върху вторичната отново дебел слой изолация с хартиено тиксо и отгоре са навити двете отоплителни намотки от проводник с диаметър 0.6мм. Те трябва да бъдат добре изолирани една спрямо друга. Не може да се разчита само на лаковото покритие при 400 волта пикови потенциални разлики. Транзисторите които съм използвал са BD139, като може да се използва произволен бърз транзистор с колекторно напрежение 100 и повече волта и усилване по ток препоръчително над 100. Ако се използват транзистори с по-малко усилване по ток трябва да се намали стойността на резисторите в базите, което увеличава консумацията. Резонансния кондензатор в първичната намотка трябва да е качествен примерно MKP защото в първичния резонансен кръг циркулират токове от порядъка на 1 ампер пиково. Баластния кондензатор във вторичната намотка се подбира по стойност в зависимост от мощността на лампата, като при 680 пикофарада се получава мощност в лампата около 7 вата. До около 2 нанофарада може да се увеличи стойността на кондензатора за по-мощните тръби. Кондензатора е препоръчително да е качествен FKP например. Дросела в първичната страна е от комет:
http://store.comet.bg/Catalogue/Product/5021538/ 470 микрохенри, и е най-слабото звено във схемата. Има най-много концентрирани загуби в него заради високото му омическо съпротивление, може да се навие дросел с по-дебел проводник, но трябва да е на отворен магнитопровод, или ако е затворен трябва да е с достатъчно голяма междина за да е сигурно че не се насища. Като цяло до мощности от порядъка на 12 вата този от Комет става, но се губи около половин ват в него. Схемата в този си вид без модификации е способна да отдаде около 12-15 вата в тръбата, като за по-големи мощности е необходимо да се преизчисли трансформатора. При по-големи стойности на кондензатора последователно на тръбата може да се наложи да се увеличи стойността и на първичния резонансен кондензатор. Разбира се всичко това води и до спадане на работната честота, която за 7 ватовата лампа е 40 kHz. Схемата е тествана с извита тръба от енергоспестяваща лампа 11 вата и с права луминесцентна пура 40см. 15 вата. И в двата случая се наблюдава безпроблемно мигновенно запалване на лампата при подаване на захранването. Ето и снимки и резултати от тестването:
Тук свети тръбичката от енергоспестяваща крушка, консумирайки 8.5 вата от захранващия източник:

тук свети пурата консумирайки 10 вата:

Тук сравнявам светенето на тръбичката от енергоспестяваща лампа със светенето на същата такава енергоспестяваща лампа от която е тръбичката:

горната тръбичка е към инвертора на 12 волта. Експонацията е нагласена така че да не се преекспонира нито една от двете тръби и да може да се сравнява интензитета им.
Тестването е извършено с осцилоскоп, като са снети осцилограмите в следните точки от схемата:


срещаме се след минути в следващото мнение поради достигнат лимит на прикачените изображения.